




一,功能說明: EC340H-04循環定時IC
10小時開,14小時關循環定時ic有以下功能:
多功能循環定時IC,低功耗,寬工作電壓范圍,可以輸出高電平和低電平兩種狀態。 內有8種不同的定時模式??稍O定時間為
10小時ON~ 14小時OFF
8小時ON~ 16小時OFF
7小時ON~ 17小時OFF
6小時ON~ 18小時OFF
5小時ON~ 19小時OFF
4小時ON~ 20小時OFF
3小時ON~ 21小時OFF
2小時ON~ 22小時OFF,
上電后,如果晶振不起振,OUT輸出高平。晶振起振后OUT 輸出低電平,定時時 間到OUT輸出高電平。
1, TEST快速測試,按下TEST,定時8小時,OUT就相應的閃8次
2, 高電平輸出有20mA、低電平輸出有40mA。
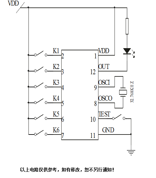
二、參考電路圖:




深圳市麗晶微電子科技有限公司提供標準品并提供開發設計:
觸摸LED化妝鏡PCBA定制 小家電類IC芯片定制 觸摸開關臺燈PCBA定制
電源穩壓IC,DC/DC升壓IC 電子玩具類電子禮品類IC ASIC IC MASK IC芯片定制
提供標準品IC芯片及滿足客戶功能需求的單片機方案開發定制
同時和合作企業提供COB板邦定和PCBA貼片加工,根據客戶的需求提供COB線路板和部分的電子機芯及半成品定制。
更多產品信息前往麗晶微官網:深圳市麗晶微電子科技有限公司