

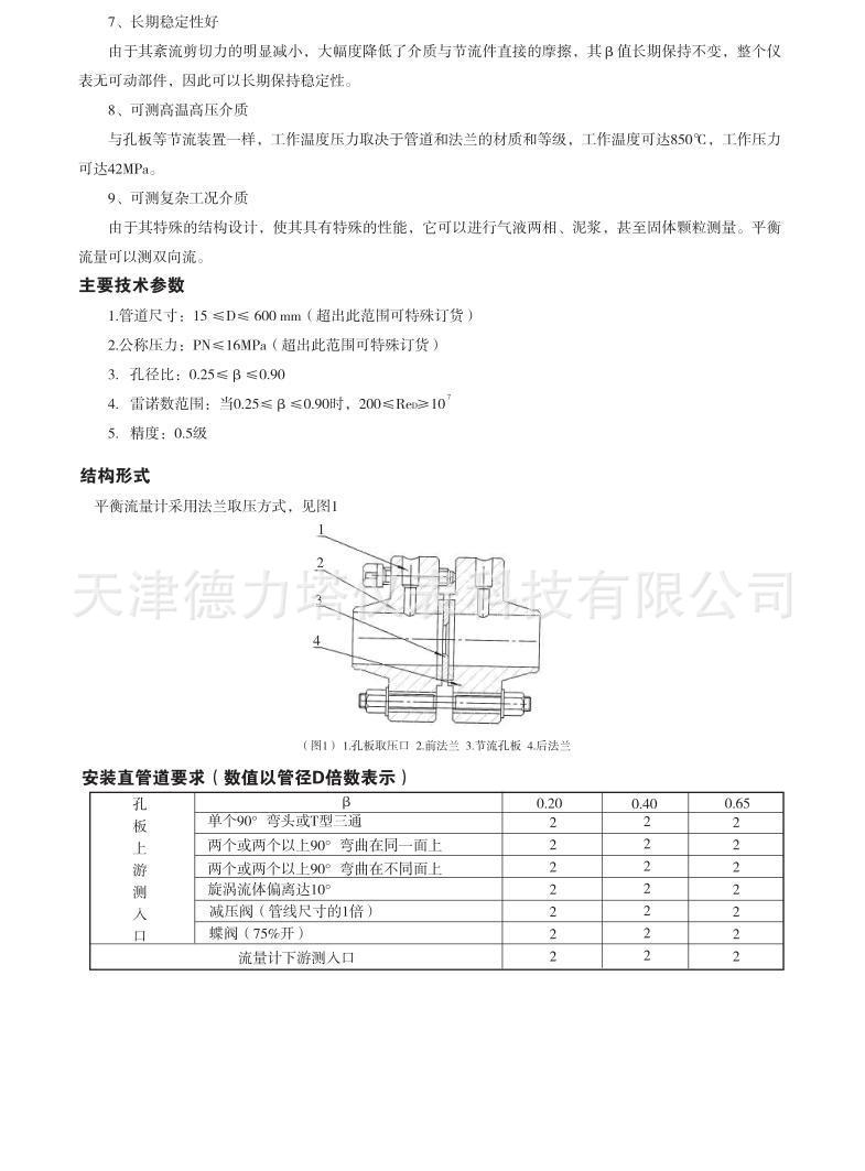
天津德力塔儀表科技有限公司是***從事儀器儀表產品的研發、生產、銷售和服務為一體的高新技術企業。我公司主要產品有:各種巴類均速管流量計,一體化孔板流量計,標準節流裝置,渦街、渦輪、電磁流量計,V錐流量計;與上述配套的壓力、差壓變送器、流量積算儀、數顯儀表、電動(氣動)執行器和調節閥;壓力表有:普通壓力表,電接點、遠傳、隔膜、膜盒、耐震、防腐壓力表,數字式壓力表;儀表閥門有:針型截止閥、高溫高壓閥、球閥、三閥組、五閥組及管接頭;輔助容器有各種規格冷凝器、隔離器、平衡器。我公司與眾多的科研機構和高等院校緊密合作,長期致力于民族的工業發展,公司堅持科研開路,產品超前,技術***,管理嚴謹的經營戰略,憑借產品的質量穩定,性能可靠贏得了廣大客戶的信賴。