




HA002臨沂弘安不銹鋼復合式洗眼器廠家直銷,復合式洗眼器
簡介:復合式洗眼器是配備噴淋系統和洗眼系統的緊急救護用品,直接安裝在地面上使用。當化學品物質噴濺到工作人員服裝或者身體上的時候,可以使用復合式洗眼器的噴淋系統進行沖洗,沖洗時間至少大于15分鐘;當有害物質噴濺到工人眼部、面部、脖子或者手臂等部位時,可以使用復合式洗眼器的洗眼系統進行沖洗,沖洗時間至少大于15分鐘?!? 臨沂弘安www.xyq770.com 】
材質:304不銹鋼
類型:復合式洗眼器 緊急噴淋洗眼器
復合式洗眼器安裝原則
1.洗眼器必須安裝在危險工作區域附近。
2.直線到達洗眼器的距離:10 或15 米處。
3.營救點必須進行清潔確認,并且清除所有障礙。
4.洗眼器周圍沒有電器開關之類的電器接口。
5.必須連接飲用水。
6.水源壓力≥0.2 MPa
7.提供水源接口≥1 英寸 NPT
8.淋浴噴頭和洗眼器必須每周清洗,檢測。
9.必須對作業人員進行正確使用安全設備的指導
10.眼部和臉部的清洗至少持續 10 或15 分鐘。
11.噴淋頭至少持續 5 或10 分鐘。
臨沂弘安安防專業生產銷售復合式洗眼器,立式洗眼器,壁掛式洗眼器,臺式洗眼器防凍洗眼器等
復合式洗眼器具體安裝步驟
1. 根據廠家提供的洗眼器安裝圖紙,分步驟安裝。
2. 根據洗眼器底座的安裝孔尺寸,在需要安裝洗眼器的地方鉆 3--¢10mm 的孔。
3. 根據洗眼器圖紙,分步驟組裝洗眼器。(特別提醒:洗眼與噴淋不應該在同一個平面上,噴淋在洗眼左側轉動45—90 角度)。
4. 把組裝好的洗眼器安裝到規定的位置,用膨脹螺絲固定洗眼器。
5. 連接進水口,進水口尺寸:1-1/4 英寸,NPT。
6. 連接出水口,出水口尺寸:1-1/4 英寸,NPT。
部件用途
主站:www.haqcs.com
令下設網站:
防化服www.lyhaqc.com
報警器www.bjq770.com
呼吸器www.hahxq.com
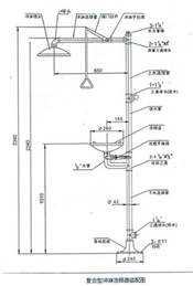
1.洗 眼 噴頭:用于對眼部和面部進行清洗的噴水口。
2.洗眼防塵蓋:用于保護洗眼噴頭并防灰塵的防塵蓋。
3.淋 浴 噴頭:用于對全身進行清洗用的噴水裝置。
4.開 關 閥:用于打開和關閉水流的閥門裝置,分手推、腳踏、
等。
5.通 水 管:用來引導水流的裝置。
6.過 濾 網:用來過濾水中進入洗眼器里的雜質及碎削;也可選配過
濾器。
7.底 座:鋁合金、304、316、碳鋼等,用于固定洗眼器。
8.材 質:316,304不銹鋼、鍍鋅管、碳鋼、環氧樹脂(ABS)、PP
等;不同材料防腐性能不同。
9.本洗眼器是用于緊急情況下,暫時緩減有害物質對眼睛、面部、身
體的侵害,進一部的處理和治療,聽從醫生的建議
HA002臨沂弘安不銹鋼復合式洗眼器廠家直銷,復合式洗眼器
![1492046266462662.png ]0T5(]LL09Y2~[@J16{CPG5.png](/img/t6g8/7e6c56ac1d19c98138ee3d248224ed198892c544.jpg)

