
詳細資料查看:




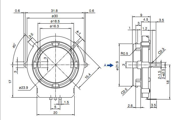
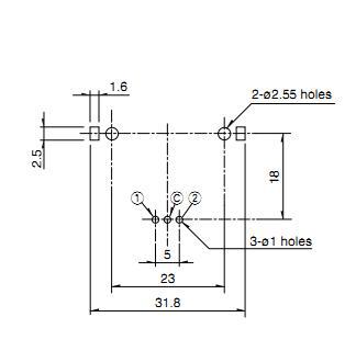
現貨供應ALPS原裝中空軸型編碼器,SRGPWJ500.位數:16位,16脈沖。
廠家直銷,長期供貨,生產銷售各種貼片插腳電位器,編碼器,波段開關,旋轉開關,轉換開關,輕觸開關,按鍵開關,自鎖開關,檢測開關,船型開關,葉片開關,插座,光電開關,傳感器,旋鈕,IC,二三極管等電子元器件。代理各種進口品牌日本ALPS,松下,TOCOS ,科寶COPAL,,SAKAE,FUJISOKU,OMRON,美國BOURNS,BI,英國Vishayspectrol,臺灣ALPHA,FORWARD,DIP,ECE,等。