


Tips 1:
CR123A 2/3A電池座可提供兩種類型,分別是:
P/N:BHC-1029A (With PC Pins,PCB Mounted) 不帶導線,PCB板上直接焊接.
P/N:BHC-1029B (With Lead Wires 150mm) 帶導線,導線長度150mm.
Tips 2:
CR123A 2/3A電池座,根據您使用的環境,還可以選配電池蓋,型號如下:
P/N:BHC-1029C (Battery Cover)
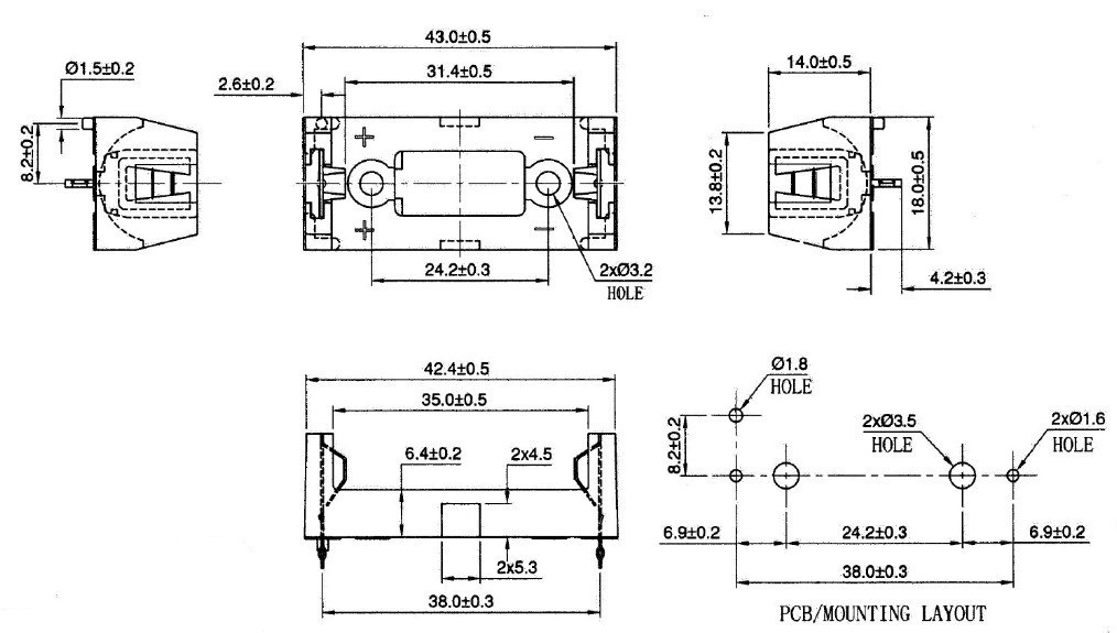
THM Holder for CR123A 2/3A Battery P/N BHC-1029A&BHC-1029B
Part Number: BHC-1029A/B
Cell Size: CR123A 2/3A